Holden
1991 to 1998 Holden Apollo Service Manual
1991 to 1998 Holden Apollo Service Manual
Couldn't load pickup availability
Covering 1991 1992 1993 1994 1995 1996 1997 1998 year models Holden Apollo Service / Repair / Workshop Manual
Provided is an FACTORY service manual / repair workshop manual for the 1991 to 1996 model year Toyota Camry / Holden Apollo Models. This repair manual covers all topics related to servicing, maintenance, general repairs, advanced repairs and rebuild guidelines for engine, gearbox, differential, suspension, steering, brakes, body panels, interior components and electrical systems, including wiring diagrams, troubleshooting and diagnostic advice. A complete repair manual for the Holden Apollo.
Providing torque values for all fasteners, as well as guidance on disassembly and reassembly.
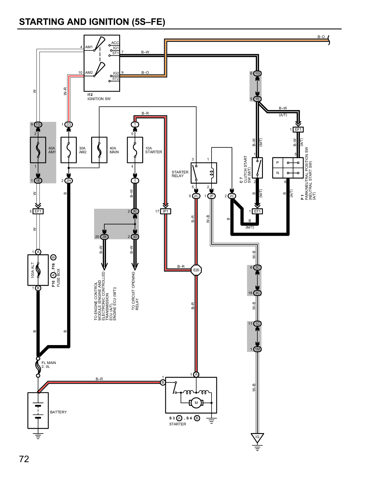
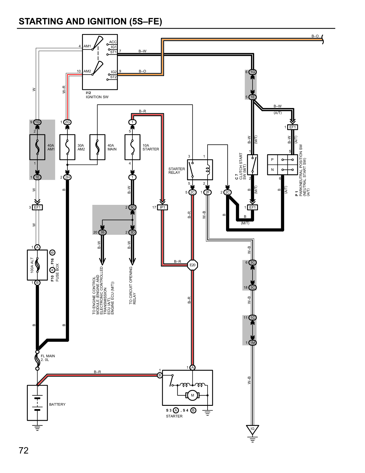
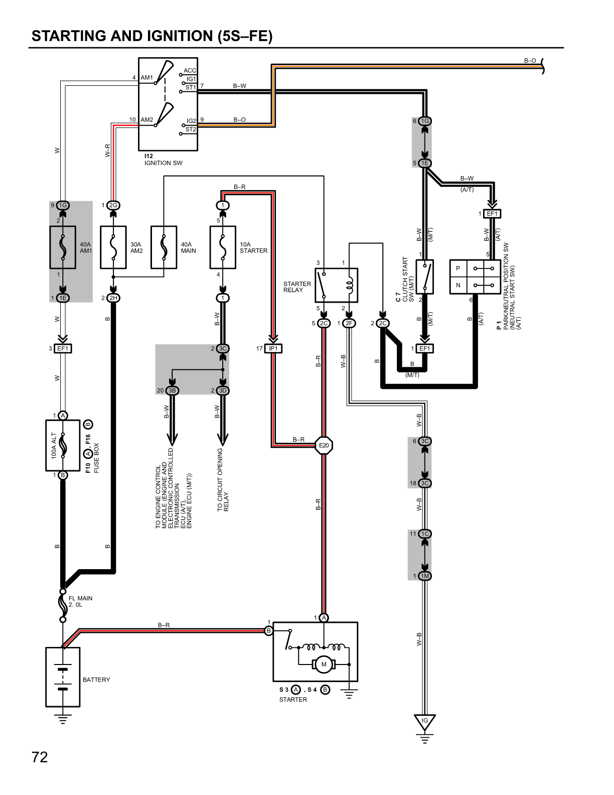
Provided in SCANNED PDF IMAGE form, as one compressed file in English Language, total of 94MB.
This will need uncompressed on your device.
Total of 4,596 pages.
Sample pages are shown in the product pictures, please ensure you are happy with these before purchase as these form part of the product description, orders cannot be refunded once fulfilled.
These models are infamous for issues with their wet cambelt issues.
Features Following Chapters...
Accelerator Control System
Automatic Cruise Control System
Automatic Transmission
Automatic Air Conditioner
Audio, Visual and Navigation System
Body Control System
Body, Lock and Security System
Brake System
Brake Control System
Engine Cooling System
Manual Transmission
Driver Information System
Engine Control System
Exterior and Interior
Engine Mechanical
Exhaust System
Front Axle
Fuel System
Front Suspension
General Information
Glass and Window System
Alphabetical Index
Instrument Panel
Share
