Chrysler
2000-2005 Chrysler Neon Manual - Complete Service Guide
2000-2005 Chrysler Neon Manual - Complete Service Guide
Couldn't load pickup availability
Suitable for the following 2000 to 2005 Chrysler Neon... 2.0L SOHC Gasoline & 2.4L DOHC Gasoline engines.
Unlock the Secrets of Your Chrysler Neon with This Comprehensive Workshop Manual
Get the inside scoop on your classic Chrysler Neon with our detailed workshop manual. This comprehensive guide covers everything you need to know to maintain, repair, and service your beloved car.
PDF Format for Easy Access
Download the manual in convenient PDF format for effortless access on your computer, smartphone, or tablet.
Engaging English Language
Written in clear and concise English, this manual is easy to understand, even for novice mechanics.
Comprehensive Coverage of Your Car
Our manual covers every aspect of your Chrysler Neon from engine maintenance to electrical troubleshooting.
Detailed Wiring Diagram
Stay ahead of electrical issues with our clear and user-friendly wiring diagram.
1,771 Pages of Valuable Information
This extensive manual contains 1,771 pages packed with valuable information to keep your PT Cruiser in top condition.
Elevate Your Car Ownership Experience
With our expert-written workshop manual, you'll be equipped to handle any maintenance or repair needs, ensuring your Chrysler Neon remains a reliable and enjoyable ride for years to come.
Download Your Copy Today and Embark on a Journey of Triumphant Maintenance
The Chrysler Neon is a compact car that was built by the American company Chrysler from 2001 until 2010. Introduced as a five-door hatchback wagon, a two-door convertible variant was also made from 2005 until 2008.
Suitable for 2000, 2001, 2002, 2003, 2004 & 2005 model years.
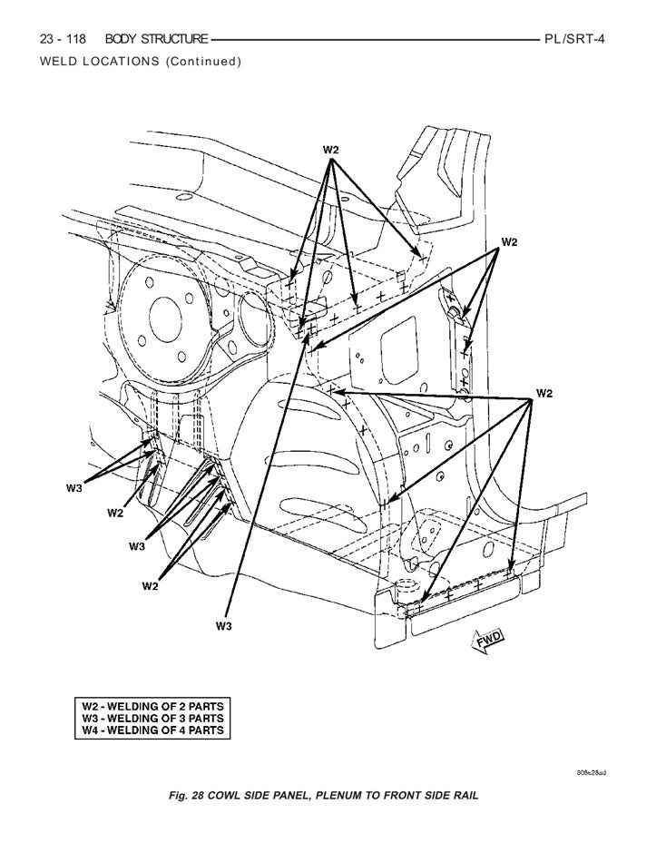
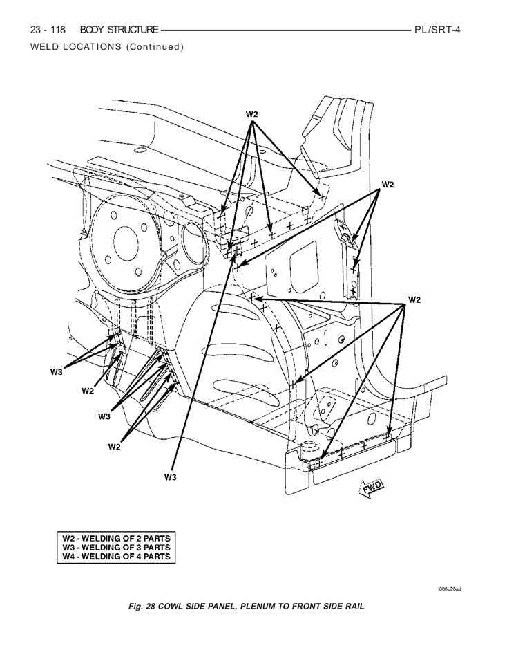
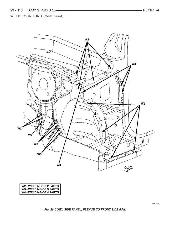
Sample pages from the manual are shown in the images on this page, please ensure you are aware of the file quality, as refunds cannot be processed once the files have been downloaded.
Features Following Chapters...
- Introduction
- Lubrication & Maintenance
- Suspension
- Differential & Driveline
- Brakes
- Clutch
- Cooling
- Audio
- Chime/Buzzer
- Electronic Control Modules
- Engine Systems
- Heated Systems
- Horn
- Ignition Control
- Instrument Cluster
- Lamps
- Message Systems
- Power Systems
- Restraints
- Speed Control
- Vehicle Theft Security
- Wipers/Washers
- Wiring
- Engine
- Exhaust System & Turbocharger
- Frame & Bumpers
- Fuel system
- Steering
- Transaxle
- Tires/Wheels
- Body
- Heating & Air Conditioning
- Emissions Control
- Component & System Index
- DTC Index
Share





