Ford
2009-2014 Ford Figo Service Manual
2009-2014 Ford Figo Service Manual
Couldn't load pickup availability
Covering 2009, 2010, 2011, 2012, 2013 & 2014 year models Ford Figo (1st Generation) Service / Repair / Workshop Manual
Covering 2.2 Litre Turbo and Non-Turbo Engines.
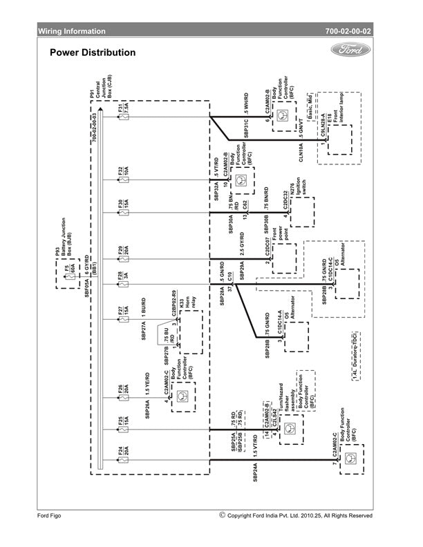
Provided is the 2009 FACTORY service manual / repair workshop manual for the 2009 to 2014 model year Ford Figo Models. This repair manual covers all topics related to servicing, maintenance, general repairs, advanced repairs and rebuild guidelines for engine, gearbox, differential, suspension, steering, brakes, body panels, interior components and electrical systems, including wiring diagrams, troubleshooting and diagnostic advice. A complete repair manual for the Ford Figo.
Providing torque values for all fasteners, as well as guidance on disassembly and reassembly.
Provided in PDF form, as two files in English Language, total of 44MB.
Total of 1,828 pages.
Sample pages are shown in the product pictures, please ensure you are happy with these before purchase as these form part of the product description, orders cannot be refunded once fulfilled.
These models are infamous for issues with their wet cambelt issues.
Features Following Chapters...
- Maintenance and general note
- Engine
- Engine electrical system
- Fuel preparation and control
- Fuel supply
- Cooling
- Exhaust system
- Engine and transmission mounting
- Manual gearbox
- Automatic transmission
- Propeller shaft
- Front axle, front suspension
- Steering and Wheel Alignment
- Rear axle, rear-wheel drive, guide
- Brakes
- Pedals
- Wheels with tyres
- Integrated Suspension Systems
- Body
- Body equipment
- Seats and motorcycle seat
- Slide/tilt sunroof and soft top
- General vehicle electrical system
- Instruments
- Lights
- Heating and air conditioning
- Audio, navigation, information systems
- Distance system, Cruise control, remote operation
- Electric motor
- Parts and accessories for engine and chassis
- Body parts and accessories
- Communication systems
- Paint
Share




